
輕觸開關在各行業中的應用是比較廣泛的,一般來說,根據規格尺寸進行區分,有輕觸開關12×12、輕觸開關8×8、輕觸開關7.2×7.2、輕觸開關6×6、輕觸開關3×4、輕觸開關2×4等。其中輕觸開關12×12的產品規格型號主要有:TS-1103CW、TS-1103C、TS-1103、TS-1103K等。通常情況下,不同型號的產品的使用范圍和它的性能等方面也是有所不同的,并不是所有的產品型號之間都可以替換使用,所以建議大家在購置產品的時候先了解自己需要的產品型號。如TS-1103K防水輕觸開關適用于具有防水防塵要求的電子電器按鍵、電子化的各種音響設備、數碼產品、通訊設備、測量儀器等產品上。那么下面就讓小編來給大家簡單介紹幾款常規使用的輕觸開關12×12的產品規格型號吧!
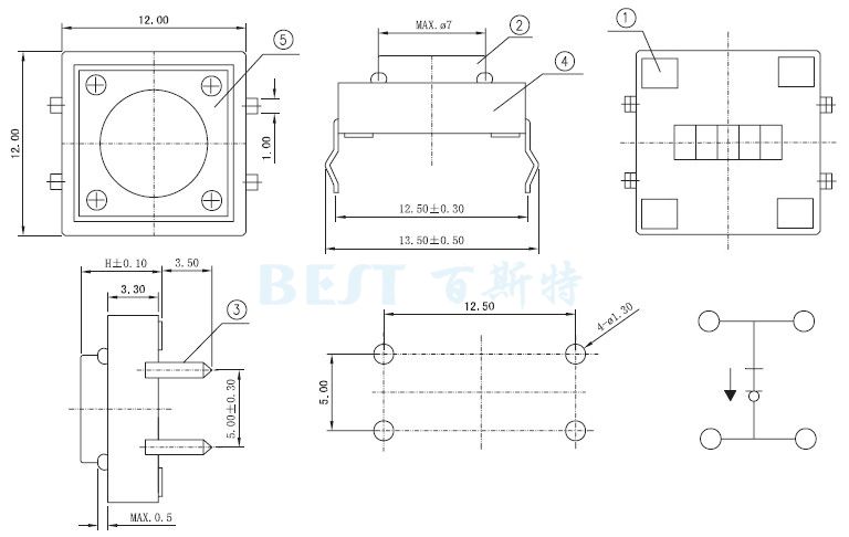
(1)輕觸開關12×12_TS-1103CW
輕觸開關12×12_TS-1103CW_參考圖紙:
輕觸開關12×12_TS-1103CW_技術參數:
額定電流:dc12v 50MA
接觸電阻:≤100Ω
絕緣電阻:≥100MΩ
驅動力:260±50GF
輕觸開關壽命:60000次
行程:0.25mm±0.1mm
(2)輕觸開關12×12_TS-1103C
輕觸開關12×12_TS-1103C_參考圖紙:
輕觸開關12×12_TS-1103C_產品簡介:
結構:四個定位柱和四個引腳
外觀長寬尺寸為:12x12mm
別稱:12x12輕觸開關,四腳輕觸開關12x12
開關的驅動力度:有3個標準分別為:250克力,180克力,160克力
高度為:7.3mm
顏色:有黑色和黃色兩種
輕觸開關12×12_TS-1103C_技術參數:
使用范圍溫度:-20℃~70℃
保存溫度范圍:-30℃~80℃
額定值:DC 12V 50mA
接觸電阻:≤50mΩ
絕緣電阻:≥100 MΩ
輕觸開關12×12_TS-1103C_機械性能:
驅動力:250±30gf或180±30gf或160±30gf
回復力:50gf min
行程:0.25±0.1mm
可焊性:超過75%的焊錫面積被錫料所覆蓋
機械壽命:50000次
(3)輕觸開關12×12_TS-1103
輕觸開關12×12_TS-1103_參考圖紙:
輕觸開關12×12_TS-1103_產品簡介:
規格尺寸:12×12輕觸開關
結構:方形輕觸開關
高度:4.3/5-22等不同高度
按鍵力度:160g/250g兩種
包裝方式:袋裝,1000PCS/袋
焊接方式:不能過回流焊,一般都是手工焊接
輕觸開關12×12_TS-1103_技術參數:
使用范圍溫度:-20℃~70℃
保存溫度范圍:-30℃~80℃
額定值:DC 12V 50mA
接觸電阻:≤50mΩ
絕緣電阻:≥100 MΩ
(4)輕觸開關12×12_TS-1103K
輕觸開關12×12_TS-1103K_參考圖紙:
輕觸開關12×12_TS-1103K_技術參數:
額定電流:dc12v 50MA
接觸電阻:≤100Ω
絕緣電阻:≥100MΩ
驅動力:260±50GF
輕觸開關壽命:60000次
行程:0.25mm±0.1mm
以上就是關于輕觸開關12×12_TS-1103CW、輕觸開關12×12_TS-1103C、輕觸開關12×12_TS-1103等規格型號產品的相關參數介紹,大家如果對以上內容有什么不理解的地方,可以通過我們的在線客服專員進行咨詢,如果有興趣想要了解其他型號的產品信息,也可以聯系我們哦!我們的輕觸開關不僅規格型號齊全、質量方面也是有保障的,歡迎廣大朋友前來選購!

Copyright © 廣東精密龍電子科技有限公司 版權所有 粵ICP備17035144號 粵公網安備44130202001184號
全國服務電話:0755-83205533 傳真:0755-83761155
公司地址:深圳市龍崗區龍崗大道8288號深圳大運軟件小鎮45棟2樓

