

輕觸開關TS-6004A產品簡介
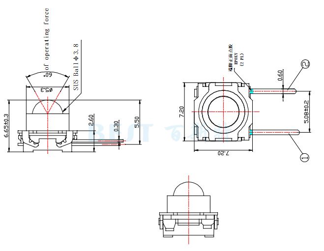
TS-6004A輕觸開關的尺寸為:長7.2mm*寬7.2mm*高6.65mm。TS-6004A輕觸開關為插件,也被叫做插件電子煙開關,為側插式開關。TS-6004A輕觸開關大量用于電子煙,在美容器械、數碼產品等行業也廣泛使用,具體產品如電子煙、耳機、血壓計、按摩機等。
輕觸開關TS-6004A技術參數
環境溫度:-10度~ 60度
保存溫度:-25度-70度
額定電負荷:DC12V 50MA
接觸電阻:≤100Ω
絕緣電阻:≥100MΩ
耐電壓:AC250V.50HZ/1min
輕觸開關壽命:100000次
驅動力:200±50GF
行程:0.55mm±0.25mm
輕觸開關TS-6004A參考圖紙


Copyright © 廣東精密龍電子科技有限公司 版權所有 粵ICP備17035144號 粵公網安備44130202001184號
全國服務電話:0755-83205533 傳真:0755-83761155
公司地址:深圳市龍崗區龍崗大道8288號深圳大運軟件小鎮45棟2樓

