

DC插座DC-025技術參數
環境溫度:15~35℃
壓力:86kPa~106kPa
相對濕度:25%~80%
額定值:DC 12V 1A
插入力度:2.94~29.4N
拔出力度:2.94~29.4N
接觸電阻:≤0.03Ω
絕緣電阻:≥100MΩ
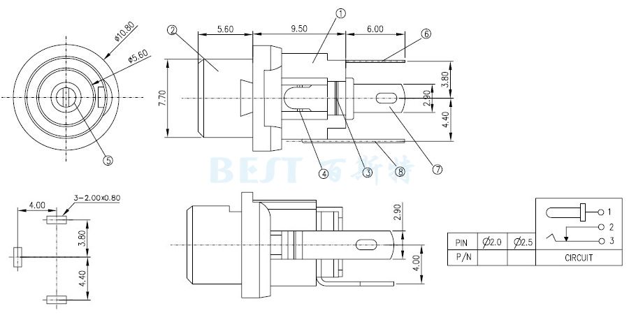
DC插座DC-025參考圖紙
單位:mm


Copyright © 廣東精密龍電子科技有限公司 版權所有 粵ICP備17035144號 粵公網安備44130202001184號
全國服務電話:0755-83205533 傳真:0755-83761155
公司地址:深圳市龍崗區龍崗大道8288號深圳大運軟件小鎮45棟2樓

