

技術參數:
額定值:DC12V 0.1A
接觸電阻:80mΩ max
絕緣電阻:100MΩ min
使用溫度:-16℃~60℃
動作力:200g±50g
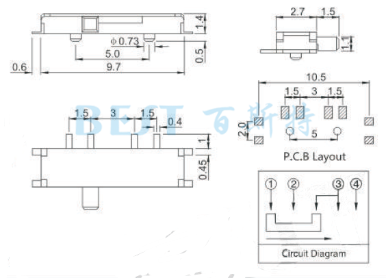
微型撥動開關MSS-22C08參考圖紙



Copyright © 廣東精密龍電子科技有限公司 版權所有 粵ICP備17035144號 粵公網安備44130202001184號
全國服務電話:0755-83205533 傳真:0755-83761155
公司地址:深圳市龍崗區(qū)龍崗大道8288號深圳大運軟件小鎮(zhèn)45棟2樓

